由于制品的特殊要求,其某部位的脱模方向与注射机开模方向不一致,需进行侧面分型与抽芯方可顺利顶出制品。侧面分型与抽芯机构有两种:行位和斜顶。
一、行位
1. 行位行程计算(以下图为例):
为保证制品顺利脱模,行位移动的距离一定要充分,一般以制品可以脱模的最小距离加2~3mm为其最小行程:
2. 后模行位均采用压块+斜销+弹弓的结构形式如图所示 (有时当行位宽度超过100,又不方便用此结构时,可考虑采用T块结构形式),但当行位位于天地方向,受回针位置及模胚大小限制时,可不做压块,由模板原身出。
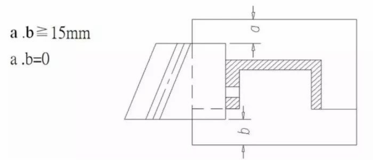
3. 行位底面、顶面与前后模底、顶面的关系,见图:
4. 不论行位侧面是否有封胶,其两侧均要做斜度,一般值为单边3~5°,但当两个运动方向垂直的行位贴合时,角度为45°。若产品四面均有行位互相贴合,设计时应考虑将其中一个行位伸出一耳朵,以保证准确定位。
5. 行位高度与厚度的比值最大为1,否则行位运动时会受翻转力矩影响,造成运动失效,一般要求L≧1.5H。
6. 行位斜销角度一般为15°~25°,最大不能超过25°,斜销角度比行位小2°,一般尽量不采用细小的斜销,以保证行位运动的顺利。
7. 斜销孔比斜销单边大1/64",约0.4,当斜销穿过行位时,需在模板上为其留出足够的让位空间。
8. 斜销在行位中位置的确定:斜销尽量置于行位的中间位置,具体尺寸要求如图:
9. 铲鸡与行位的配合面要求超过行位高度的2/3,并且用于铲鸡的螺丝应尽量大,下图为两种不同结构的铲鸡,尽量避免采用图b的结构。
10. 行位弹弓长度的确定,应保证弹弓空间足够,防止弹弓失效。
设定行位行程为M,弹弓总长为L,设弹簧压缩40%,行位完全退出后,弹弓仍预压10%,则有:
(40%-10%)L=M
L=(10/3)M
弹弓空间为0.6L
但当L过小时,为了防止弹弓失效,往往要加大弹弓长度。
11. 当行位完全包裹制品侧面时,为防止行位运动时拉伤胶件,需在行位上设置侧顶装置,其结构形式如图所示:设计中,应根据模具空间是否足够来选择适合的结构,建议采用图a结构。
12. 为使行位运动顺畅,其周边不能有阻碍运动的尖角等,一般其周边应倒R3~R5的圆角。
13. 当需在行位下安装弹弓时,尺寸要求如图,为防止螺丝被弹弓卡住,选用弹弓和螺丝时应参照表。
14. 大的行位应单独冷却,并且行位或铲鸡上要镶耐磨块,此时行位与铲鸡避空0.5,如图所示。
15. 当需在前模行位上设置限位槽时,结构如图示,h根据行位行程确定(附限位块大小)限位块至少用M3/8"的螺丝紧固。
有时,当前模行位过小时,不采用T块导向,而直接用限位块导向和定位。
16. 前模行位上,T块与T槽单边避空0.3~0.5,只有一面为配合面。如图所示:
17. 前模行位弹弓长度计算。
设定行位行程M,弹弓总长L,压缩40%,行位完全退出后仍预压10%,行位角度α,行位总高H,则有:
(40%-10%)Lsina=M
L=10M/3sina
同时应校核:0.3Lcosa<1/2H,否则应加大a角,但最大不得超出25°,有时为防止失效,往往要加大L尺寸。
18. 前模行位均需做行位拉钩。
19. 前模行位改为T块做在行位上,T槽开在铲鸡上。
20. 前模行位一般要求设置耐磨块,如图所示,此时前模斜面配合面与行位避空0.5mm。
21. 前模行位脱出前模不得超过行位总长1/2,如图所示。
22. 前模内抽行位,有时产品需设置前模内抽行位,如图所示。此时,为了避免A板避空过多的问题,常将T块做在行位上,而在铲鸡上开T槽。
23. 行位上开设“V”型油槽时,应斜向行位运动方向,“O”形油槽则应环环相扣,油槽深0.5-1.00mm,油槽边不做通,以防漏油。
24. 行位上有相互运动的零件,均需淬火处理。例如限位块、压条等。
二、斜顶
当制品侧壁内表面或制品顶端内表面出现倒扣时,采用斜顶往往是非常有效的方法。其工作原理为:在顶出制品的同时受斜面限制,同时作横向移动,从而使制品脱离。
1. 斜顶角度一般为5°,大小视其行程及顶出空间而定,有时要加高C板以保证顶出。
2. 斜顶最小厚度为8.00,大多数情况下,可适当加大到10~15mm。同时,斜顶应加耐磨块以保证精确定位。
3. 当产品圆弧处需设置斜顶,处理方法见图:

4. 斜顶采用T座与螺丝方式固定,其螺丝最小为M3/16",见图:
5. 当斜顶大小与顶出高度受周围骨位、凸台等限制或者两斜顶相距太近时,解决方法有:设置限位顶出装置和与设计部沟通更改产品。
6. 限位顶出机构,限位顶出机构的基本形式见图,一般采用两个。H根据限位顶出高度设定。